NTH MANUAL CHUCKS GB SERIES
K72 4-JAW INDEPENDENT CHUCKS
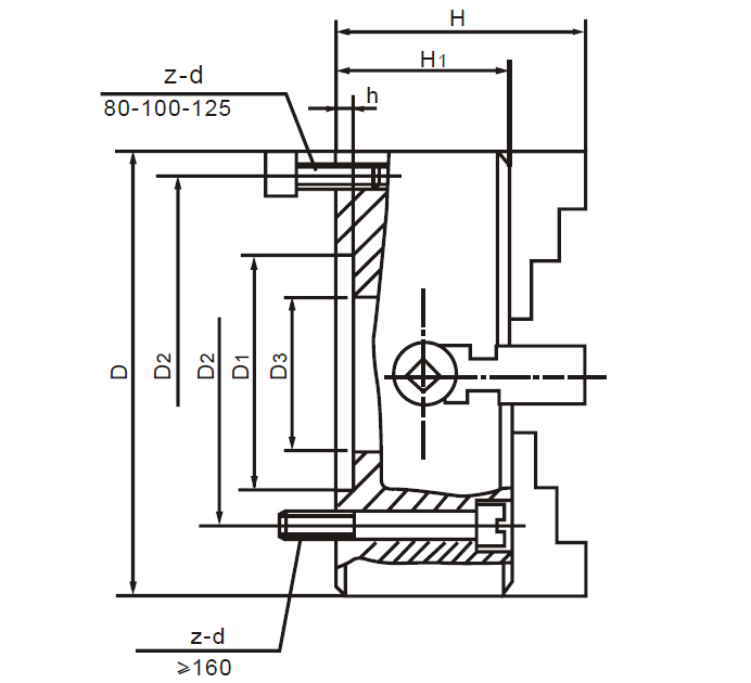
K72 SERIES 4-JAW INDEPENDENT CHUCKS
Click on product image magnification
Download
Online inquiry
Products in detail

|
Code No
|
Chuck Size
|
Size D
inch
|
D1
|
D2
|
D3
|
H
|
H1
|
h
|
z-d
|
|
K72-80
|
80
|
3
|
55
|
66
|
22
|
58
|
42
|
3.5
|
4-M6
|
|
K72-100
|
100
|
4
|
72
|
84
|
25
|
77
|
54
|
4
|
4-M8
|
|
K72-125
|
125
|
5
|
95
|
108
|
30
|
78
|
56
|
4.5
|
4-M8
|
|
K72-160
|
160
|
6
|
65
|
95
|
45
|
96.5
|
65
|
5
|
4-M10
|
|
K72-160A
|
160A
|
6
|
53
|
71
|
45
|
96.5
|
65
|
5
|
4-M10
|
|
K72-160T
|
160T
|
6
|
65
|
95
|
45
|
96.5
|
65
|
5
|
4-M10
|
|
K72-200
|
200
|
8
|
125
|
104.8
|
50
|
110
|
75
|
6
|
4-M10
|
|
K72-200A
|
200A
|
8
|
75
|
95
|
56
|
110
|
75
|
6
|
4-M10
|
|
K72-250
|
250
|
10
|
100
|
120
|
65
|
117.5
|
82
|
6
|
4-M12
|
|
K72-250A
|
250A
|
10
|
110
|
130
|
75
|
115.5
|
80
|
6
|
4-M12
|
|
K72-300
|
300
|
12
|
152
|
130
|
75
|
128.5
|
85
|
6
|
4-M12
|
|
K72-320
|
320
|
13
|
140
|
165
|
95
|
134
|
90
|
6
|
4-M16
|
|
K72-350
|
350
|
14
|
130
|
168
|
80
|
145
|
95
|
8
|
4-M16
|
|
K72-400
|
400
|
16
|
160
|
185
|
125
|
143
|
95
|
8
|
4-M16
|
|
K72-450
|
450
|
18
|
180
|
205
|
140
|
147
|
100
|
8
|
4-M16
|
|
K72-500
|
500
|
20
|
200
|
236
|
160
|
161
|
106
|
8
|
4-M20
|
|
K72-630
|
630
|
25
|
220
|
258
|
180
|
180
|
115
|
10
|
4-M20
|
|
K72-800
|
800
|
32
|
250
|
300
|
210
|
210
|
135
|
12
|
8-M20
|
|
K72-1000
|
1000
|
40
|
320
|
370
|
260
|
241
|
150
|
15
|
8-M20
|
|
K72-1000A
|
1000A
|
40
|
285
|
330
|
280
|
241
|
150
|
75
|
8-M20
|
|
K72-1250
|
1250
|
50
|
400
|
500
|
305
|
256
|
165
|
15
|
8-M20
|
|
K72-1400
|
1400
|
55
|
400
|
500
|
305
|
246
|
155
|
15
|
8-M20
|
|
K72-1600
|
1600
|
63
|
420
|
520
|
320
|
266
|
175
|
18
|
8-M24
|
|
K72-2000
|
2000
|
80
|
450
|
560
|
350
|
290
|
190
|
20
|
8-M30
|